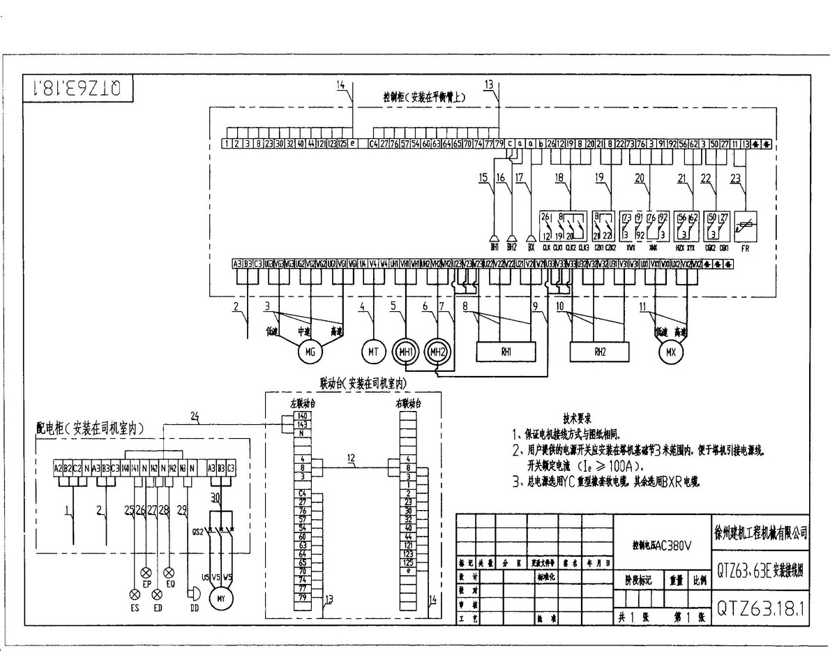
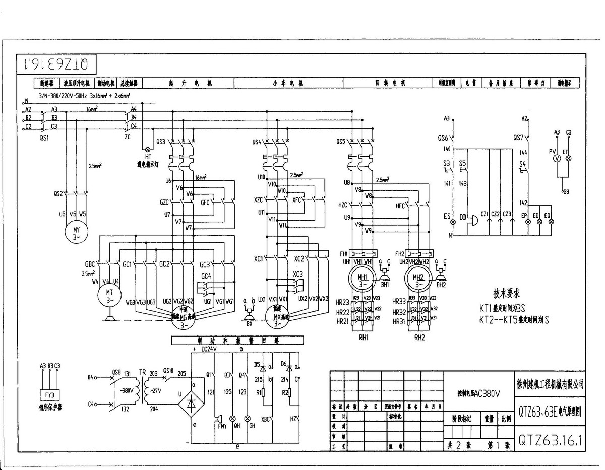
QTZ63 塔吊 电气图纸

QTZ63 塔吊 电气图纸

(长按图片保存到手机以查看高清图纸)









0

推荐

  • QQ空间

  • 新浪微博

  • 人人网

  • 豆瓣

取消
建站ABC 建站ABC提供技术支持